SIM7600CE模块电源设计要点详解
时间:2025-10-03 08:57:33 414浏览 收藏
对于一个文章开发者来说,牢固扎实的基础是十分重要的,golang学习网就来带大家一点点的掌握基础知识点。今天本篇文章带大家了解《SIM7600CE模块电源设计要点解析》,主要介绍了,希望对大家的知识积累有所帮助,快点收藏起来吧,否则需要时就找不到了!
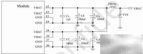
1、必须确保VBAT引脚的供电电压始终不低于3.4V,特别是在模块进行数据传输时,电压稳定性至关重要。
2、退耦电容应尽可能靠近VBAT焊盘安装,建议用户在PCB布局中保持元件紧凑,以提升电源完整性和整体工作性能。

3、推荐采用电视机等设备作为隔离保护措施,防止静电放电或瞬态电压冲击对模块造成损伤。

文中关于的知识介绍,希望对你的学习有所帮助!若是受益匪浅,那就动动鼠标收藏这篇《SIM7600CE模块电源设计要点详解》文章吧,也可关注golang学习网公众号了解相关技术文章。
相关阅读
更多>
-
501 收藏
-
501 收藏
-
501 收藏
-
501 收藏
-
501 收藏
最新阅读
更多>
-
480 收藏
-
221 收藏
-
103 收藏
-
161 收藏
-
462 收藏
-
441 收藏
-
450 收藏
-
454 收藏
-
160 收藏
-
190 收藏
-
500 收藏
-
224 收藏
课程推荐
更多>
-
- 前端进阶之JavaScript设计模式
- 设计模式是开发人员在软件开发过程中面临一般问题时的解决方案,代表了最佳的实践。本课程的主打内容包括JS常见设计模式以及具体应用场景,打造一站式知识长龙服务,适合有JS基础的同学学习。
- 立即学习 543次学习
-
- GO语言核心编程课程
- 本课程采用真实案例,全面具体可落地,从理论到实践,一步一步将GO核心编程技术、编程思想、底层实现融会贯通,使学习者贴近时代脉搏,做IT互联网时代的弄潮儿。
- 立即学习 516次学习
-
- 简单聊聊mysql8与网络通信
- 如有问题加微信:Le-studyg;在课程中,我们将首先介绍MySQL8的新特性,包括性能优化、安全增强、新数据类型等,帮助学生快速熟悉MySQL8的最新功能。接着,我们将深入解析MySQL的网络通信机制,包括协议、连接管理、数据传输等,让
- 立即学习 500次学习
-
- JavaScript正则表达式基础与实战
- 在任何一门编程语言中,正则表达式,都是一项重要的知识,它提供了高效的字符串匹配与捕获机制,可以极大的简化程序设计。
- 立即学习 487次学习
-
- 从零制作响应式网站—Grid布局
- 本系列教程将展示从零制作一个假想的网络科技公司官网,分为导航,轮播,关于我们,成功案例,服务流程,团队介绍,数据部分,公司动态,底部信息等内容区块。网站整体采用CSSGrid布局,支持响应式,有流畅过渡和展现动画。
- 立即学习 485次学习